
本產品用于除塵器灰斗下部,對除塵器排出的煤灰進行水灰混和,具有較好的灰水攪拌效果,水灰比可控制在3~4范圍內,比老式的箱式沖灰器用水量少,一般可節省10~20%。
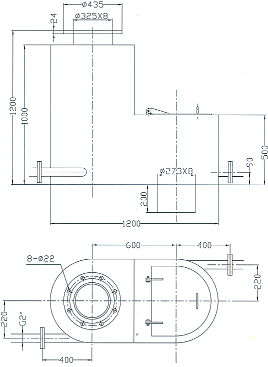
外形尺寸
干灰出力 | 噴嘴直徑 | 水壓0.5MPa | 水壓0.6MPa | 水壓0.7MPa | 水壓0.8MPa | ||||
t/h | mm | 水量M3 /H | 水灰比 | 水量M3 /H | 水灰比 | 水量M3 /H | 水灰比 | 水量M3 /H | 水灰比 |
6 | 2-∮10 | 19.24 | 3.20 | 20.90 | 3.48 | 22.70 | 3.78 | 224.30 | 4.05 |
7 | 2-∮12 | 26.40 | 3.77 | 28.60 | 4.08 | 30.90 | 4.41 | 33.30 | 4.76 |
8 | 2-∮12 | 26.00 | 3.30 | 28.60 | 3.58 | 30.90 | 3.86 | 33.30 | 4.16 |
9 | 2-∮14 | 34.00 | 3.77 | 37.20 | 4.13 | 40.40 | 4.48 | 43.20 | 1.80 |
10 | 2-∮14 | 34.00 | 3.40 | 37.20 | 3.72 | 40.40 | 4.04 | 43.20 | 4.32 |
外形尺寸圖
