
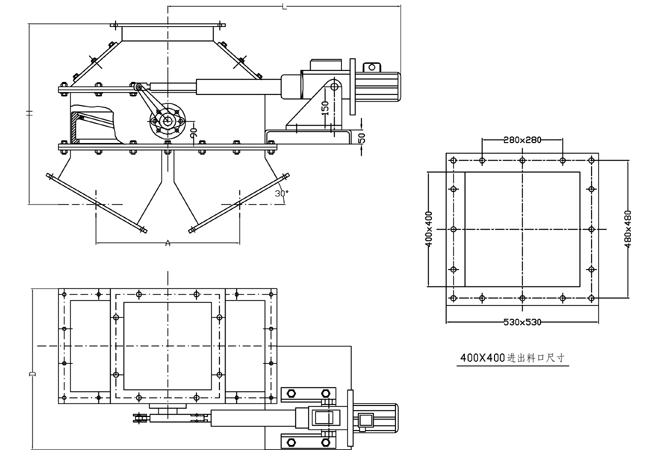
本設備適用于粉煤灰、水泥等粉狀物料輸送管道中作物料流向切換用,分電動、氣動、手動三種操作方式,啟閉可靠,工作中能確保不漏料、不漏氣,本產品為我廠專利產品。專利號:9723561.0
技術參數
進出口尺寸(mm) | 300x300 | 400x400 |
傾斜夾角 | 30° | |
配用氣缸(氣缸) | QGB100x200 | |
配用電動推桿型號 | Dt30020 | |
適用溫度 | ≦150℃ | |
工作壓力 | 常壓 | |
主要外觀尺寸
規格 | H | L | A | D | |
電動 | 手動 | ||||
300x300 | 630 | 630 | 630 | 630 | 630 |
400x400 | 725 | 725 | 725 | 725 | 725 |
外觀尺寸圖
